黑色環氧磁力輪
發表時間:2017年06月09日瀏覽量:9981
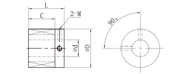
型 號 | D | 磁級 | d | C | L | M | 間隙1mm時傳動扭矩 |
CM4212P-□AE | 42 | 12 | 15 20 | 21 | 29 | M5 | 0.3N.m |
CM3508P-□AE | 35 | 8 | 15 20 | 21.5 | 29 | M5 | 0.27N.m |
CM3208P-□AE | 32 | 8 | 20 15 10 | 20 | 28 | M4 | 0.2N.m |
CM2608P-□AE | 26 | 8 | 15 12 10 | 14 | 21 | M4 | 0.12N.m |
CM2106P-□AE | 21 | 6 | 12、10、8 | 15 | 21 | M4 | 0.11N.m |
CM2108P-□AE | 21 | 8 | 12、10、8 | 15 | 21 | M4 | 0.07N.m |
CM2106PL-□AE | 21 | 6 | 10 | 30 | 36 | M4 | 0.15N.m |
型號說明 系列 外徑(D) 磁極數 L(加長)-內徑(d) 支架 表面-CP(夾緊)
型號舉例 CM粘接系列 35 08P 無 20 A E 無
CM3508P-20PE表示外徑為35 8個磁極 標準 內徑20 鋁支架 磁環表面電泳
本產可以加工定做夾緊固定,可以根據客戶的要求進行加工定做做各種磁力輪。